電源ドック技術担当の佐々木です。
このコラムでは、色々なお客様サポートの中で複数回遭遇した、電源に関する不具合事例をご紹介していきたいと思います。
お客様から FPGA 搭載ボードの電源回路設計について問い合わせがありました。
大電流対応に必要な電源回路の並列運転

現行ボードの改版にあたり、使用する FPGA を大規模なものに変更します。
電源容量はマージンを考えて、今の 2倍の 60A に上げようと考えています。
(現行ボードでは 30A の電源モジュールを使用)

では、大容量の 60A 電源モジュールの選定をしているのですね?

いいえ、新たに大容量電源モジュールを選定することは断念しました。
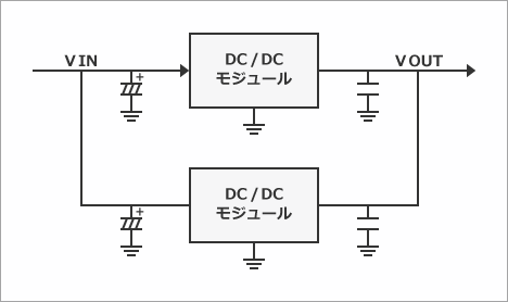
実は、改版後のボードはあまり数量が見込めないため、電源モジュールに関しては価格や入手性を考えて、今使用している 30A モジュールを 2つ並列に接続することにしました。


そうですか、確かにそれは良い考えですね。

はい、当初はそれで上手くいくと思っていたのですが・・・

何か問題が発生しましたか?

2つのモジュールの出力をショートして並列運転してみたところ、出力は 40A 程度までしか上がらず、モジュールの発熱が大きくなってしまいます・・・。
何か問題があるのでしょうか?

使用しているモジュールの型番と回路図を確認させていただけますか?
電源モジュールの型番と回路図を確認

なるほど、原因が分かりましたよ。
使用しているモジュールは、並列接続に対応していないモジュールですね。
このようなモジュールで並列接続をすると、電流を引いていくほど負荷バランスが悪くなり、片方のモジュールに電流が逆流してしまいます。
これによって 40A までしか出力できない状態になっていたようです。

並列接続に対応していないものを使用すると、出力を 2倍にすることはできないんですね。。。
では、新規に 60A 品のモジュールを選定するしかないですね。

そうですね。
このようなことも考えて、次回からは予め並列運転できるモジュールを選定することをおすすめします。
電源出力が 2倍にならなかった原因
並列接続未対応のモジュールを使用したことで、片方のモジュールへ電流が逆流したこと
今回のポイント

電源 IC やモジュールは並列運転(Current Share)の機能があるか確認することが大切。
(FPGA の大容量化に伴い、並列運転できる電源の使用をおすすめします)
並列運転対応/非対応の電源モジュールの違い
同じ電源モジュールであっても、実は 1つ 1つには若干の違いがあります。
(例)
- モジュール A:出力電圧 3.30V
- モジュール B:出力電圧 3.25V
※モジュール A、B はどちらも同じ製品
上記 2つのモジュールを並列接続した時、出力電流が小さい場合は特に問題はありません。
しかし出力電流が非常に大きくなる場合(今回のコラムのように 2つ合わせて 60A など)、 出力電圧が少しだけ低いモジュール B の方に電流が逆流してしまい(モジュール A への負荷が非常に大きくなり)、結果的に、並列接続時の出力が低くなってしまいます。

並列運転対応のモジュールの場合は、内部に出力電圧のバランスを調整する機能があり、 2つのモジュール間の出力電流の差を無くすことができます。 これによって片方のモジュールへの電流の逆流を防ぎ、並列した 2つのモジュール両方に均等に負荷がかかるため、出力電流が低くなることはありません。
並列運転対応の電源モジュールは少し値が張る場合が多いですが、 今後を見こして、あらかじめ並列運転対応品を選定されることをおすすめします。 (大容量のモジュールを再選定する場合、費用だけでなく時間もリスクも発生します)
おすすめ記事/資料はこちら
おすすめセミナー/ワークショップはこちら
