今回、オンセミ社が提供しているロジック製品の中で、下記2つの製品群を紹介します。
・レベル・トランスレーター
・バススイッチ
上記製品群において、今回紹介する製品は、オンセミ社において、最新の65nmプロセステクノロジーを使用しています。
それにより、生産能力、製造の柔軟性と効率、品質の向上が期待できます。
レベル・トランスレーター
デジタル信号の論理レベルをある論理(電圧)レベルから別の論理(電圧)レベルに信号を変換するために使用される製品です。
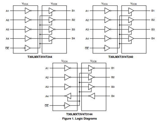
オンセミ社はレベル・トランスレータ―において、単方向製品、双方向製品ともに取り揃えています。
T30LMXTシリーズの電圧トランスレーターは、TREOプラットフォームを活用し、特に低電圧で高速動作し、消費電力も低減する電圧トランスレーターを実現します。
また本製品の特長は以下の通りです。
・両方の電源レールは0.9V~3.6Vの範囲で設定可能
・高ドライブ能力:±24mA@3V
・低静止電源電流:Icca&Iccb=1uA & 低リーク電流:Il=1uA
・高データレート:
400 Mbps (≥1.8V to 3.3V Translation)
200 Mbps (≥1.1V to [1.8V, 2.5V, 3.3V] Translation)
150 Mbps (≥1.1V to 1.5V Translation)
100 Mbps (≥1.1V to 1.2V Translation)

ブロック図


バススイッチ
バススイッチは、高速デジタルラインまたはバスへの接続をすばやくオン/オフにするように設計されています。
またシステムコンポーネントは、低電圧に移行していて、高い効率と、より高速な速度が求められています。
T30LMSWシリーズのバススイッチは、TREOプラットフォームを活用し、低電圧、高帯域幅、低オン抵抗で動作するスイッチを実現しています。
またT30LMSWバススイッチは、最大125℃まで動作し、Iqと入力リーク電流を低減しています。
パッケージは、SOICやTSSOPに加え、リードレスの小型パッケージも取り揃える予定です。

お問い合わせ / お見積もり
本製品に関してご質問、お見積もりなどのご希望がありましたら以下よりお問い合わせください。
オンセミ メーカー情報Topへ
オンセミ メーカー情報Topに戻りたい方は以下をクリックしてください。