サイト内検索

ソリッドステートブレーカーにおけるSiC半導体の可能性

現実社会でエンジニアが直面していること

ヘンリー・フォードが想像していた以上に自動車の発明のスピードが加速する中、自動車技術者は、電気機械工学からの根本的な転換を迫られています。消費者の需要と業界の注目がハイブリッド車や完全な電気自動車に向かっていることから、この変化はより強く感じられ、エンジニアは「いつもやっていること」を超えて、大電流・高電圧の送電線の切断などの問題に革新的なソリューションを求められることになります。

ソリッドステートブレーカーにおけるSiC半導体の可能性

車両設計の一部は、電気自動車であっても1980年代のままであり、故障時に大電流を遮断してパワーレールを切り離すために、電気機械式のスイッチやコンタクターが依然として使用されています。しかし、数千アンペアの電流が見込まれ、バッテリー電圧が800V以上になると、機械式の選択肢は複雑で困難になります。DCを遮断すると、電圧に比例した長さと電流に比例した強さのアークが発生するため、摩耗が問題となります。接点の材料が焼け落ち、アークの熱で部品全体が劣化していきます。アークを消すためにオイルを注入したり、圧縮空気でアークを吹き飛ばすなどの特殊な方法をとることもできますが、電流と電圧のレベルが上がると問題はさらに悪化します。また、ブレーカーやコンタクターは機械的なデバイスであるため、自動車の環境で特に問題となる衝撃や振動の影響を受けやすく、数十ミリ秒という比較的ゆっくりとした動作となります。

ソリッドステートのブレーカーは、GTOやIGBT、最近ではMOSFETを使用した選択肢がありますが、挿入損失が大きく、通常の動作状態ではデバイスに数十ワットの電力が放散される可能性があり、部品に熱ストレスを与え、システム効率を低下させます。

しかし、最新のSiC(シリコンカーバイド)スイッチは、新たな可能性を切り開いています。ブレーカーとして構成されたスイッチは、100nsから数us以内に動作し、アークが回避されます。UF3SC065007K4S(650V、6.7mΩ)やUF3SC120009K4S(1200V、8.6mΩ)などのオンセミの新しい部品は、伝導損失が最小限に抑えられており、175℃の連続ジャンクション温度で確実に動作します。さらに高いピーク定格を持つことができます。TO-247パッケージのSiCスイッチは、SiC JFETとSi-MOSFETのカスケード構造になっており、クリティカルではないゲートドライブを備えているため、新規設計に容易に組み込むことができるほか、MOSFETやIGBTを使用した既存のディスクリート固体ブレーカー設計の代替品として使用することもできます。

メカニカルブレーカーと比較して、SiCカソードを使用したソリッドステートスイッチは、他の機能も可能にします。例えば、導通を制御して突入電流を制限したり、コンデンサーをプリチャージしたりすることができます。短絡電流は、JFETの「ピンチオフ」効果によって制限することができ、電子移動度の増加によって温度上昇とともに減少する飽和電流を十分に制御することができます(図1)。

SiC JFETの飽和電流はドレイン-ソース間電圧でほぼ一定
図1:SiC JFETの飽和電流はドレイン-ソース間電圧でほぼ一定

また、オフ状態ではSiC半導体は、高エネルギーアバランシェ定格を持ち、電圧トランジェントによく耐えます。

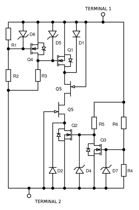
SiCカスコードは、MOSFETやIGBTのゲートドライブとの互換性を目的としているため、飽和するには正のVgが必要です。オンセミからは、通常オン、つまりVg=0Vで導通するSiC JFETもあります。これにより、外部の補助電源レールや内部のDC-DCコンバーターを必要としない、真の2端子サーキットブレーカーモジュールの可能性が広がります(図2)。

二端子式自己バイアス遮断器の考え方
図2:二端子式自己バイアス遮断器の考え方

現代の自動車設計では、タッチスクリーンディスプレイや電子スイッチが標準となり、可動部品を排除する傾向が強まっています。オンセミのSiCカスコードJFETを使用した、ドライブおよびバッテリーシステムの高電圧および高電流をスイッチングするための高効率で堅牢なソリューションが登場しました。

SiC半導体を使用したソリッドステートのサーキットブレーカー、スイッチ、カレントリミッターの使用は、エンジニアが不定詞を分割して、次世代のEV設計に向けて「大胆に進む」ためのもう一つの機会です。

お問い合わせ

本記事に関してご質問などありましたら、以下より問い合わせください。

オンセミメーカー情報Topページへ

オンセミメーカー情報Topページへ戻りたい方は、以下をクリックください。