SiC半導体による3レベルインバーターによる太陽光ソーラーエネルギー効率の最大化
大規模太陽光発電所の経済性は、電力網にエネルギーを販売して収益を上げることに基づいています。エネルギー変換効率と装置コストは、実行可能性を決定する非常に重要な要素であり、インバーターと関連するパワーコンディショニングエレクトロニクスを形作る設計上の選択に影響されます。炭化ケイ素技術は効率の大幅な向上を約束しますが、必要とされるパワーデバイスの総数とそれに伴う伝導/スイッチング損失、定格電圧に対するデバイスのサイズとコストなど、他の要因を考慮しなければなりません。
インバーターは通常、パネル出力が変動しても安定したDCリンク電圧を確保するために、降圧または昇圧のいずれかの動作が可能なDC/DCコンバーターを入力に必要とします。インバーターのトポロジーはDC/DCコンバーター回路の設計に影響を与え、必要な電源スイッチの数とBOMコストに大きな影響を与えます。
基本的な6パック3相インバーターは、ハイサイドとローサイドの3つのトランジスターで構成されており、最もシンプルで低コストのソリューションのように見えるかもしれませんが、この配置は、ACニュートラルとDC入力の間に、DCリンク電圧と同じ振幅の4段階のコモンモード電圧を生成することが知られています。大規模なソーラーファームでは、これがDCリンクに許容できないリーク電流を発生させる可能性があります。インバーターの仕様で絶縁が要求されている場合、変圧器はこれらの漏れ電流の流れを効果的に防ぎますが、絶縁が必要でない場合、専用の補償変圧器を導入すると、不要な追加コストとバルクが発生します。
3レベルインバーターのトポロジーを使用することで、変圧器を追加することなく、同相電圧、ひいては漏れ電流を劇的に低減することができます。通常、ニュートラルポイントクランプ(NPC)またはトランジスタータイプのニュートラルポイントクランプ(TNPC)トポロジーが検討されています。余分なスイッチが必要となるため損失が増加し、関連するドライバーはBOMコストをさらに上昇させ、インバーターの制御はより複雑な課題となります。一方で、設計者はデバイスの選択により、全体的なコストとインバーターの性能を最適化する自由度を得ることができます。
実際のアプリケーションにおける選択
公称 DC リンク電圧 800V、300~800V の入力電圧ブースター、動作周波数 25kHz を持つように設計された 50kVA の発電機を考えてみましょう。図1は、標準的な2レベルまたは3レベルインバーターのトポロジーを使用して、このようなコンバーター/インバーターを構築するのに必要な電源スイッチの数を比較したものです。設計は電力損失解析に基づいており、ジャンクション温度を25 °C以下に保つために並列に接続されたスイッチを使用しています。電力損失解析では、半導体とヒートシンク間に電気的な絶縁がないことを前提としています。

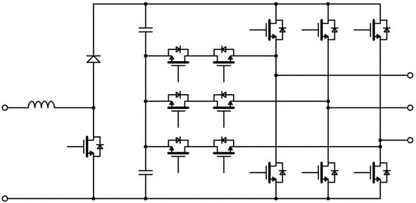
12個のUJ3C120040K3S 1200V SiCカソードと6個のUJ3C065030K3S 650V SiCカソードで構成されるTNPC回路は、部品点数の合計を考慮すると勝者となると思われます。図2は、入力にTNPCと適切なブースターで構成されるサンプル回路図を示しています。

ダイオードクランプ型NPC回路(図3)は、TNPCに比べて半導体部品点数が多くなっています。図1の電力解析からもわかるように、NPCインバーターは、TNPC回路が18個のカソードであるのに対し、UJ3C065030K3S SiCカソード24個、UJ3D06560KS SiCショットキーダイオード6個で構成されています。しかし、NPCは650Vのデバイスのみを使用して構築することができ、このトポロジーの強みである、部品定格に比べて高いDCリンク電圧を実現しています。

DCリンク電圧が800Vの場合、TNPCはパワーデバイスのシングルイベントバーンアウト(SEB)を回避するために1200Vのスイッチを必要とします。信頼性モデルで余裕のある電圧マージンが求められる場合や、1000V以上のDCリンク電圧が必要な場合は、NPCインバーターと3レベルブースターの有利な議論は説得力があります。
SiCカスコードの利点
インバーターおよびブースター回路で オンセミ SiCカスコードJFETを使用することで、エネルギー効率の向上、熱的耐久性、およびダイサイズに対する耐圧に加えて、さらなる利点がもたらされます。インバーターでは、SiC半導体 FET UJ3シリーズのカスコードはわずか10V、またはそれ以下で保持することができ、ブートストラップ・ゲートドライブ電源が使用される場合に十分なホールドアップ時間を確保するのに役立ちます。高速スイッチングを実現するためには、ターンオン時のゲート電圧を+15~18V、ターンオフ時のゲート電圧を-5Vにする必要があります。
さらに、ブースターでダイオードの代わりにカスコードを使用することは、ブースタープラスインバーターが2方向に電力を処理できることを意味します。カスコードは、電力の流れの方向に応じてスイッチまたはダイオードとして機能することができるので、システムはDC-ACインバーターまたはAC-DCアクティブフロントエンド整流器として機能します。熱負荷はインバーターと整流器モードの間で変化するため、ブースターの各スイッチ位置でデバイス数を同じにする必要があります。
全体として、SiCカスコードは、高いエネルギー効率、堅牢性、高速スイッチング性能の組み合わせにより、2レベルまたは3レベルのブースター/インバーターのトポロジーを使用するシステムにおいて、スイッチング周波数、DCリンク電圧、信頼性、およびBOMコストを管理するための柔軟性を設計者に提供しています。非絶縁設計でコモンモード電圧を最小化するために3レベルのトポロジーを使用する場合、通常はTNPCインバーターが好まれます。より高い入力電圧が必要な場合は、NPC トポロジーが強力な選択肢となります。
お問い合わせ
本記事に関してご質問などありましたら、以下より問い合わせください。
オンセミメーカー情報Topページへ
オンセミメーカー情報Topページへ戻りたい方は、以下をクリックください。