サイト内検索

ADALM2000 で実験しよう!ユニティゲイン回路

はじめに

こんにちは!2025年度入社、新人FAEのパワーちゃんです!

本記事ではアナログ・デバイセズのアクティブ・ラーニング・モジュール「ADALM2000」を使用した、オペアンプ(OP97)の評価方法をご紹介します!

今回はオペアンプの基本、シンプルなユニティゲイン回路について評価していきます!

ADALM2000って?

そもそもADALM2000って何?どんなことができるの??と思われた方もいるのではないでしょうか。

ADALM2000とは「アクティブ・ラーニング・モジュール」の略称で、特徴を一言で表すならば「持ち運べる実験室」といったところでしょうか。手のひらサイズのデバイス1台でなんと9つもの機能を持ち合わせているんです。

ADALM2000と機能一覧

使用方法も非常に簡単で、USBPCに接続するだけ!わざわざ実験室に足を運び、重いオシロスコープや電源などをせっせと準備する必要はないんです!

卓上でお手軽に実験がおこなえるのもうれしいポイントで、在宅勤務中でも実験ができちゃいます。優雅に紅茶やコーヒーを嗜みながらの実験というのも憧れますね。

 

冗談はさておき、ADALM2000についての詳細はこちらの記事で分かりやすくまとまっているので、ぜひご覧ください!

ADALM2000 で実験しよう!持ち運べる実験室、ADALM2000

事前に準備するもの

今回の評価はアナログ・デバイセズ社HPに公開している「シンプルなオペアンプ回路」という記事を参考におこなっていきます。

 

今回使用した部品・道具は以下のとおりです。

・ADALM2000

・ブレッドボード

・ジャンパー線

・オペアンプ (OP07)

・ScopyがインストールされたPC

 

今回使用したオペアンプOP97は、アナログ・パーツ・キット「ADALP2000」に付属されていたものです。

上述のADALM2000紹介記事では、ADALP2000についても簡単に紹介されているので、ご興味のある方はぜひご覧ください。

OP97先輩の簡単な特徴

OP97のピン配置

・入力電圧範囲:±14V

・消費電流:600μA Max

・入力オフセット電圧:20μV Max

 ・入力オフセット電圧温度ドリフト:0.6μV/℃ Max

・CMRR:114dB Min

・低入力バイアス電流:25℃:100pA Max

・拡張工業温度範囲:-40℃~+85℃

 

OP97は、かつて業界をけん引した高精度アンプ「OP07」に置き換わる低消費電力の後継品といった位置付けです。詳しくはこちらの製品ページをご覧ください。

OP97 データシートおよび製品情報 | アナログ・デバイセズ

 

今回は実験ということでOP97を選びましたが、このデバイスは1997年に発売されたかなり古い製品です。OP97が発売されたとき、なんとパワーちゃんはまだこの世に存在していません。OP97の方が先輩ということになりますね。それはさておき、アナログ・デバイセズではグレードアップした新製品が続々と発売されているため、これから設計をされる方はOP97先輩ではなく、もっと新しい製品をお選びください!

ユニティゲイン回路を評価してみよう!

前置きが長くなってしまいましたが、早速評価をおこなっていきましょう!

まずはオペアンプの基本、シンプルなユニティゲイン回路です。

ユニティゲイン回路とは?

ユニティゲイン回路

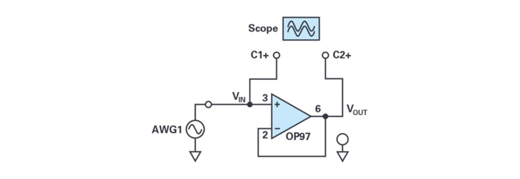
OP97を使用したユニティゲイン回路

まず、ユニティゲイン回路ってなんだ?と思う方もいるかもしれないので、簡単にご説明します。ユニティゲイン回路は、FB経路に抵抗を入れずにオペアンプ単体で構成され、オペアンプの出力端子が直接入力端子Vin-に接続されています。これにより、理想的なオペアンプでは、負帰還によりVinVoutとなり、反転入力と非反転入力電圧が等しくなるように出力が調整されます。つまり入力信号がそのまま出力されるといった特徴を持つということですね。

 

私は初めてこの回路の存在を知った時、頭にたくさんの「?」が浮かびました。アンプは信号増幅に使うものだと認識していたからです。増幅せずに出力されるなら、このアンプ何の仕事もしてないじゃん。これ必要あるの??と。そこで初めて、アンプには信号増幅以外にもたくさんの役割があるということを知りました。

ユニティゲイン回路を組むと、入力インピーダンスを高くし、出力インピーダンスを低くすることができるといったメリットがあります。このおかげで、入力側からあまり負荷を引かないため、信号源に負担をかけずに信号を受け取り、後段の回路に対しては安定した信号を供給することが可能になります。ユニティゲイン回路はこの“バッファー”としての役割で大活躍するのですね。

ブレッドボードにユニティゲイン回路を組んでみよう

アナログ・デバイセズの参考記事にはブレッドボードの組み方の情報も記載されているため、回路知識が乏しくても問題なく回路を作成することができました!

OP97を使ったユニティゲイン回路のブレッドボード接続例

OP97を使ったユニティゲイン回路のブレッドボード接続例

実際に作成したユニティゲイン回路

実際に作成したユニティゲイン回路

こちらがADALM2000のピン配置です。

ADALM2000ピン配置

今回の実験では、

・1+/1-(オシロスコープch1/オシロスコープch1GND

・2+/2-(オシロスコープch2/オシロスコープch2GND

GND

・V+/V-(正電源/負電源)

・W1(信号入力1

のピンを使用します。オシロスコープのch1は入力側、ch2は出力側に接続してそれぞれの波形を見ていきます。

 

付属のジャンパー線をそれぞれの対応する箇所に接続したら、ADALM2000USBPCと接続させることで測定が可能になります!

 

また今回の測定は、

・入力信号周波数:1kHz(Sine波)

・入力信号振幅:2Vp-p

・電源電圧:±5V

といった条件でおこない、入力電圧波形、出力電圧波形それぞれの周波数とVp-pを確認します。

 

それでは早速Scopyを起動させ、セットアップをおこなっていきましょう!セットアップは画面左のタブを選択することで可能となります。

今回設定するのは、「Signal Generator」と「Power Supply」の2点です。「Signal Generator」は信号源の役割となるため、入力信号を設定することができます。一方で「Power Supply」はオペアンプに供給する電源の役割となるため、電源電圧を設定できます。

ADALM2000を使ったユニティゲイン回路測定のScopy画面:入力信号のセットアップ
入力信号のセットアップ

画面左側のタブを選択することで、それぞれの設定を変更することができます。入力信号は、①「Signal Generator」のタブを開き、②CH1を選択、③Waveformを選択したら、④Amplitude=2Vp-p/Frequency=1kHzに設定することで、周波数1kHz、振幅2Vp-pの信号が入力可能になります。

ADALM2000を使ったユニティゲイン回路測定のScopy画面:電源電圧のセットアップ
電源電圧のセットアップ

電源電圧は①「Power Supply」のタブを開き、②Positive output=5V/Negative output=-5Vに設定することでV+から5VV-から-5Vが入力されるようになります。画面下側のNegative outputの表記(紫文字)では5.000VDC Setと表示されていますが、実際には-5Vを意味しているので騙されないでくださいね。この表記、とっても紛らわしいですね。

実測!ユニティゲイン回路!

セットアップが完了したら、お待ちかねの「Oscilloscope」での測定に移ります!「Run」をクリックすると、以下のような波形を得ることができました。

ADALM2000を使ったオペアンプのユニティゲイン回路 入出力電圧波形

ユニティゲイン回路の入出力電圧波形

左側の画像は分かりやすくポジションをずらしたものです。上部オレンジ色の波形が入力信号、下部紫色の波形が出力電圧波形です。右側の画像を見ていただければわかるとおり、出力電圧波形が入力電圧波形にピッタリ重なります。この入出力電圧波形の周波数は1kHz、Vp-pは2.0Vという結果になりました。

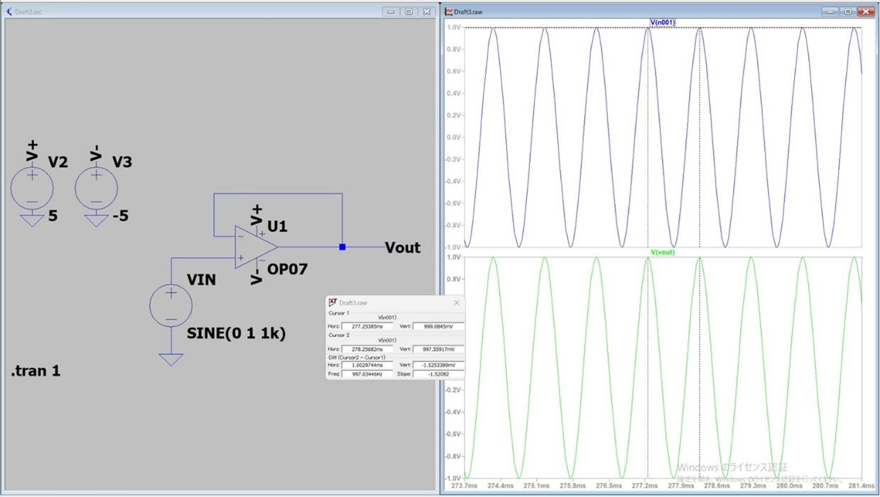
ADALM2000を使ったオペアンプのユニティゲイン回路と同条件でLTspiceでも波形を見てみる
ユニティゲイン回路のLTspice波形

LTspiceで波形を確認してみると、今回得られた波形と同様に周波数1kHzVp-pは2Vの波形が出力されました。

LTspice波形からもわかるとおり、ユニティゲイン回路はゲイン1倍の波形が出力されるため、望み通りの波形が得られたといってよいでしょう。

※LTspiceではOP97の部品モデルが存在しないため、代替品のOP07を用いて評価をおこなっています。

おまけ

試しに設定をいじってみたらどんな変化があるかな?と思い、入力信号の周波数を少しずつ大きくしてみました。周波数を20kHzから50kHzに変化させたとき、出力電圧波形が鈍り始め、入力信号と重ならなくなりました。

ADALM2000を使ったオペアンプのユニティゲイン回路:OP97に入力信号50kHzを入れてみた
入力信号50kHzの時の波形

データシートを見てみると、OP97のスルーレートは0.2V/µs(typ)と記載されています。スルーレートとは、入力電圧の変化に対して出力電圧が1µsあたり何Vの割合で変化に追従できるかを示す数値です。つまり、OP971µsあたり0.2Vの割合で変化に追従できるということですね。

 

スルーレート (SR) は、

\[ SR = 2\pi f V_p \]

という式から求めることができます。この式から、スルーレート0.2V/µsOP97が追従可能な最大周波数(fmax)を求めてみると、

\[ f_{\max} = \frac{SR}{2\pi V_p} \] \[ f_{\max} = \frac{0.2}{2\pi \times 1} \] \[ f_{\max} = 31.8\,\mathrm{kHz} \]

といった値になりました。つまり、今回設定した50kHzの信号は、追従可能な周波数31.8kHzを上回ってしまっていたため、出力電圧波形が鈍ってしまったということになりますね。スルーレートと出力電圧波形の関係性を学べる良い機会となりました!

次回予告

今回はユニティゲイン回路について実際に評価をおこないながら学ぶことができました!

次回は反転増幅回路について評価していきたいと思います!どのように信号が増幅されるか楽しみですね~

 

それではまた、~反転増幅回路編~でお会いしましょう!

以上、新人FAEパワーちゃんによる、ADALM2000を使ったユニティゲイン回路評価でした!

商品の購入はこちら

メーカーサイト/その他関連リンクはこちら

お問い合わせ

本記事に関してご質問がありましたら、以下よりお問い合わせください。

アナログ・デバイセズ メーカー情報 Top へ

アナログ・デバイセズ メーカー情報 Top へ戻りたい方は、以下をクリックしてください。