サイト内検索

新人エンジニアの赤面ブログ

ブログをご覧のみなさん、こんにちは。前回に引き続き、新人FAE月山習です。

前回は、迷路脱出マシンの製作に用いたLT8609Aの特徴やピンの機能について、初心者目線でまとめました。今回はその続編として、「理想的な波形」をテーマに、アナログ・デバイセズの評価ボード「DC2958A」を使って実際に測定をおこないました。さらに、私自身が製作実習で実装した基板の測定結果も紹介します。

私自身、電源ICの評価や測定は初めての経験で、「どんな波形が理想なのか」「どうやって測定すればいいのか」といった疑問がたくさんありました。この記事では、同じような初心者の方が「まずはこれを目指せばいいんだ」と思えるような内容を目指しています。

オシロスコープとは?なぜ波形測定が大切なのか

まず、今回の測定で使用した「オシロスコープ」について簡単に説明します。

オシロスコープとは

電圧の変化を時間軸でグラフとして表示できる測定器です。電子回路の動作を「波形」として可視化できるため、電源の評価には欠かせません。

なぜ波形測定が大切なのか

正直私自身、初めは「入出力の電圧はテスターで測れば十分なのではないか」と思っていました。しかし、スイッチングがうまく動作していなくても、出力が出てしまうこともあります。オシロスコープで波形を確認することで、「本当にICが正しくスイッチングしているか」「異常なノイズや発振がないか」など、テスターでは見えない部分までチェックできます。

初心者は特に設計をおこなう上で上手くいかないことが多くあります。その際にしっかりと“デバッグ”ができるか、がとても重要となります。そのデバッグの重要な要素としてオシロスコープでの波形測定があり、トラブル時の原因特定につながります。

評価ボードと測定環境

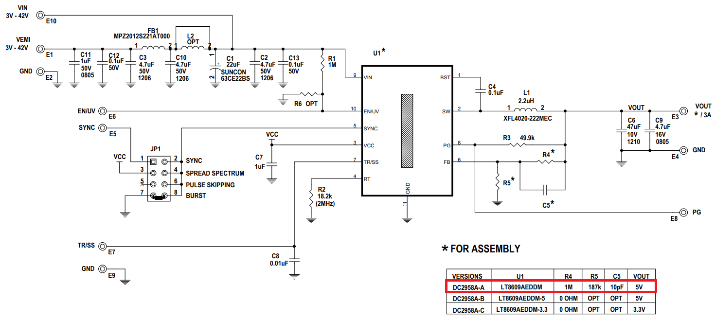
今回使用したのは、アナログ・デバイセズのLT8609A評価ボード「DC2958A」です。
この評価ボードは、メーカー推奨のレイアウトや部品配置が施されており、LT8609Aの性能を最大限に引き出せる設計になっています。

LT8609A評価ボードDC2958Aの回路図

LT8609A評価ボードDC2958Aの回路図

なお、測定条件は以下の通り設定しています。

  

・入力電圧:12V

・出力電圧:5V

・出力電流:~2A

・スイッチング周波数:2MHz

オシロスコープ(Tektronix社MSO58)の紹介

Tektronix社のオシロスコープ「MSO58」

測定には、Tektronix社のオシロスコープ「MSO58」を使用しました。

MSO58は高帯域・高分解能で、スイッチング電源の評価に最適なモデルです。

オシロスコープで測定する際のポイント(スイッチングや出力リップルなど)

  

・プローブの接続GNDリードをできるだけ短くし、測定点を正確に選ぶことでノイズの影響を最小限に抑えます。

・正確な波形の測定:波形を正確に捉えるため、ピンの直近で測定することが重要です。

 

参考にプロービングしている際の環境を以下に添付します。

スイッチングや出力リップル等のノイズの影響をなるべく抑えたい時は、以下のようにGNDリードを短くして測定することが大切です。

LT8609A プロービング時の参考画像

プロービング時の参考画像

評価ボードの測定結果

オシロスコープでの測定を通して確認をおこなったのは、入力電圧・出力電圧出力リップル・スイッチング波形負荷過渡応答です。

これらは基本中の基本の内容で、確認すべき箇所は他にもあるのですが、今回の記事では特に重要なこれらの測定結果について示します。

1 入力電圧・出力電圧

LT8609A評価ボードDC2958Aの入力電圧・出力電圧の測定結果

図中のCH1は入力電圧、CH2は出力電圧を示しています。

入力12Vに対し、出力は安定して5Vを維持していました。入出力波形の測定は2Aでおこないました。

  

コメント:入出力電圧に関してはテスターでも確認できますが、オシロスコープで波形を観察することで、突発的なノイズや一時的なドロップも見ることができます。

2 スイッチング・出力リップル

LT8609A評価ボードDC2958Aのスイッチングと出力リップルの測定結果

図中のCH1は出力電圧(ACカップリング)CH2はスイッチング波形を示しています。負荷は2Aです。

2.1 出力リップル

電圧をDCカップリングではなく、ACカップリングで見ることで、DC成分を除去しリップル成分のみを観測することができます。測定結果を見ると、リップル電圧は12mVp-p程度、スパイクノイズはほとんど見られません。

 

コメント:リップルが期待値より大きい場合、出力コンデンサーの特性や配置、並列化の見直しが必要になる場合もありますが、最初に確認すべきはプロービングの影響になります。下の記事が参考になります。

「その測定正しい? 本当のリップル電圧は1/3だった」

2.2 スイッチング波形

オシロスコープで測定したスイッチング波形は、問題なく動作していました。入力の12V0Vでスイッチングしていることが分かります。また、設定した動作周波数(2MHz)と一致しており、異常な発振やノイズは見られませんでした。立ち上がり・立ち下がりも良好です。

  

コメント:スイッチング周期やデュ―ティーが乱れている場合、不適切な部品配置や配線の影響でICが正しく動作できていない可能性が疑われます。正常な波形を知っておくことで、トラブル時の比較材料になります。

3 負荷過渡応答

LT8609A評価ボードDC2958Aの負荷過渡応答の測定結果

図中のCH1は出力電圧(ACカップリング)CH2は負荷電流を示します。

負荷電流を0.5A1.5A0.5Aと急峻に変化させた時の応答性と安定性を確認しています。具体的には、負荷電流を上げた時のアンダーシュートと下げた時のオーバーシュートの大きさ、設定値に戻るまでの時間、リンギングの有無を観測します。アンダーシュート/オーバーシュートは±150mV前後、設定値に戻るまでの時間は50us程度、リンギングがほとんどなく安定した回路と言えます。

  

コメント:負荷過渡応答が不十分な場合、出力コンデンサーと出力-FB端子間のフィードフォワードコンデンサーの容量の見直しで改善が見込めます。

自身で実装したLT8609Aの測定結果

ここまで評価ボードでの理想的な測定結果を紹介しましたが、実際に私が製作実習で実装したLT8609Aの測定結果は、正直言って理想とはかけ離れていました。
測定したのはリップル電圧スイッチング波形です。

測定結果(自作基板)

LT8609Aのリップルとスイッチング波形を自作基板で測定した結果

自作基板の出力リップルとスイッチング波形

図中のCH1は出力電圧(ACカップリング)CH2はスイッチング波形を示します。

 

リップル電圧:評価ボードでは12mVp-p程度でしたが、私の基板では数百mVp-pに達しており、出力が不安定な状態でした。

スイッチング波形:評価ボードでは綺麗で周期的な波形が観測できましたが、私の基板では波形が乱れ、スイッチングが安定していないことが分かります。

 

コメント:出力電圧をテスターで測定した際は、狙いの電圧が出力されていました。しかし図をみると、スイッチングや出力が安定しないことが分かります。テスターでの測定では見られなかった問題が観測できました。今回の私の例で、いかにオシロスコープでの測定が大切か分かっていただけたのではないでしょうか。これらの原因は部品配置や配線など、設計上の要素にある可能性が高いです。評価ボードと比較することで、どこに問題があるのかを考えるきっかけになります。

まとめ

今回の記事では、評価ボードでの理想的な測定結果と、私が製作実習で実装した基板の測定結果を紹介しました。評価ボードでは安定した出力とスイッチング波形が確認できましたが、自作基板ではリップルが大きく、波形も乱れていました。この差は、レイアウトや配線などの設計上の要素に起因している可能性が高いです。初心者にとって、評価ボードの結果を基準にすることは非常に重要です。次回は、この差が生じた原因を私なりに考察してまいります。

私の記事が、LT8609Aを初めて扱う初心者の方にとって、何かの設計のヒントになれば幸いです。それでは、また次のブログで会いましょう。

迷路脱出マシンの製作記事一覧

初心者でも分かるLT8609A入門

・初心者でも分かるLT8609Aの動作波形

LT8609A基板レイアウト設計と実習の総括