サイト内検索

Si86S6xx, Si86SLxx, Si86SMxx, Si86SQxx, Si86SSxx,6KVrms,

本記事では、現行品(Si86xxシリーズ)の上位互換品である、

高ノイズ耐性(CMTI: 150kV/us@10kbps*)、高耐圧(Max 6kVrms, ±10kVpkサージ)、高速データレート(Max 150Mbps)

を実現可能なデジタルアイソレーター「Si86Sx」をご紹介させて頂きます。

※ ディグリッヂフィルタ内蔵品使用時

製品概要

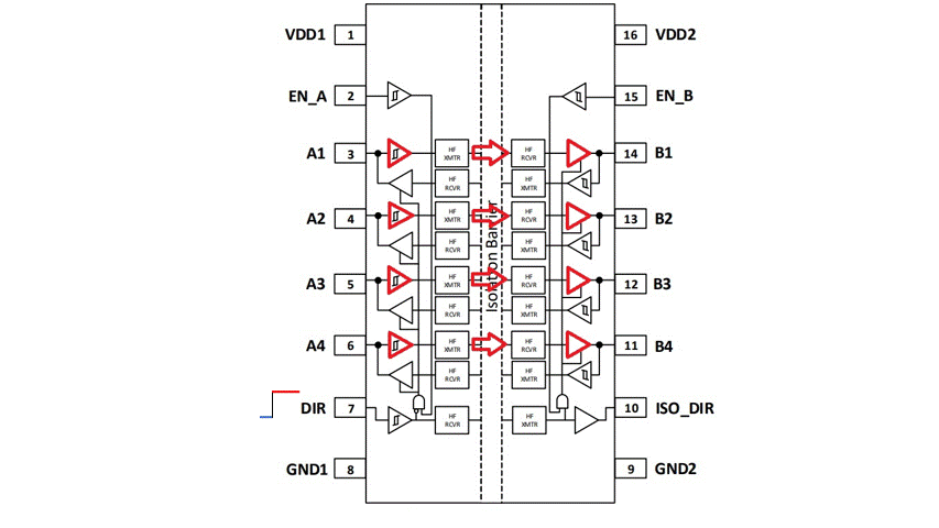
Si86Sxシリーズは、低消費電力のCMOSプロセスを使用したデジタルアイソレーターです。
より高い絶縁特性やCMTI特性を持っており業界トップクラスの高速で堅牢な製品群です。チャネル間の遅延ばらつきが小さく(2ns max)、PWDも2ns(max)と小さくADCやDACなどの信号ラインに最適です。これまでリリースされていましたSi86xxシリーズとピンコンパチブルの製品もあります。1/2/3/4/6chのラインナップがあり低消費電力タイプ、Sleep端子を持った機種、SPIQSPI、I2Cバスに最適な機種などを取り揃えています。

詳細については、後述する型番表やデータシートを参照ください。

Si86Sxx ラインナップ
Si86S6xx                     Si86xx Pinコンパチブル 絶縁特性アップグレード品
Si86SLx                       低消費電力タイプ 
Si86SMx                      2次側のパワーを1次側からOFFできる Sleep mode品
Si86SS4x                     SPI向け
Si86SQx                       QSPI向け 信号方向切替可能品
Si86SOx                       反転出力品 
SI86SxxxF/H               Deglitch Filter内蔵オプション

製品特長

  • 1/2/3/4/6ch のラインナップ/ Si86xxからの置き換え可能/ (SI86S6xxシリーズ)
  • 150Mbpsの高速信号に対応、CMTIも100kV/us(min)と高い
  • ディグリッチ・フィルター内蔵品では~10Mbpsで150kV/us (min) のCMTI
  • 低消費電流 ラインナップ(Low power:IDD1+IDD2≒1mA/ch @500KHz  Sleep Mode:Sleep時 IDD1≒0.75mA)
  • SPI,QSPIインターフェイス対応のラインナップ (Si86SSx:SPI Si86SQx:QSPI)
  • 10KVバイポーラサージ耐性、2121V working voltage/ 6KVrmsまでの絶縁耐圧
  • Default Hi, Low出力のオプション
  • QSOP SOIC SOIC-wide body (Clearance/Creepage 8mm) 各種パッケージ
  • 2.5V/3.3V/5V電源に対応 
  • 広い温度範囲での電気的特性表示(TA=-40~125℃)

各製品ラインナップの特徴

Si86xx製品とのピンコンパチ 高絶縁耐量品 Si86S6xx

      Si86S6xxは、Si86xxpin互換製品です。TTL入力からCMOS入力など多少特性の違いがありますが、高いノイズ耐性(CMTI特性Upやディグリッチフィルタ)や絶縁耐圧、サージ耐圧の向上を図りたいお客様に最適です。

※ もし現行シリーズ(Si86xx)からの置換えを検討中で、Si86xx vs Si86Sxの詳しい差分を知りたい方は、

AN1359 Design Considerations for Si86Sx Familyをご参照ください。

低消費電流タイプ Si86SLxx 

      Si86SLxxは Si86xxSi86S6xx同様のPin配置で省電力を優先したモデルです。遅延時間(Propagation Delay)が通常品9ns(typ)と比べて11.5ns(typ)、PWD(Pulse Width Distortion)が通常品3.5ns(max)と比べて7ns(max)と多少の特性の違いがありますが、消費電流がSi86Sx品と比べ20%程度低いです。

スリープモード内蔵 Si86SMxx

2次側電源をOFFできるアイソレーター, Sleep Mode, Isolator
動作参考イメージ図

      Si86SMxxはスリープモードpinSMB)を備えた低消費電流の製品です。

1次側のSMBpinLowにすることで2次側の出力電源もOFFする事ができます。2次側にイネーブル端子がある製品ですと2次側をOFFさせるために別のアイソレータを必要としますがそれが必要ありません。SMBpinは常に動いていますがIDD1が約750uA(typ)と低消費電流です。Sleep時出力はHigh Impedanceになります。2次側消費電力が気になるシステムで有用です。

SPI用 Si86SSxx 

SPI, Isolator, アイソレーター, selectable, CS端子
Si86SSxx SPIアプリケーション参考例

      Si86SS41は SPI用アイソレータです。Chip Select(CS)端子があるので複数のデバイスのSLK,MOSI,MISOを共有する構成が可能になるのでコントローラ側が最小の信号ラインで複数のSPIの制御が可能になる仕様です。

QSPI向け Si86SQxx

QSPI,双方向,Direction,信号方向,可変
動作参考イメージ図

      Si86SQ44は QSPIQuad SPI)に対応した製品です。
DIR端子で送信受信の信号向きを変更でき 半二重モードで動作できます。
Quad SPIはフラッシュメモリなどのシリアルメモリにアクセスするときなどデータ転送を高速化する為に使用される規格です。外部のシリアルメモリとマイコンのインターフェイスの設計が容易になります。
SPIに似ていますが、2本ではなく4本のデータライン(MOSIMISO)があり、データラインは半二重モードで動作し、4本のラインすべてが同じクロックエッジで4ビットのデータを読み書きします。

反転出力のラインナップ Si86SOxx

DCDCコンバータ,反転ロジック,アイソレーター, Isolator
参考動作イメージ

      Si86SOxxは反転出力のラインナップです。
フォトカプラのオープンコレクタ出力などは一般的に反転出力の製品です。/INTや /RESETや /FAULT信号などで入出力の真理値を合わせる必要がある際にもSi86Sxxの使用で追加のインバータが必要なくなります。
反転ロジックを使うことで簡単に低コストのDCDCコンバータのロジックを構成できます。

グリッチフィルターオプション Si86SxxxH,F

      Si86Sxxは ディグリッチ・フィルター内蔵のオプション製品があります。tdより短い信号は通さず これを超える信号はパルス幅を削らず出力します。これによりPWDを損なわないで信号を送ることができます。一部機種を除いて PWD = |tPLH-tPHL| は 2ns(max) です。(詳細はデータシートをご確認ください)

deglitch filter,ディグリッチフィルタ,
ディグリッチフィルタ動作イメージ

36ns 未満の短いパルス幅の信号は出力されない (赤)

36ns以上のパルス幅では入力同様のパルス幅で出力される(青)

対象アプリケーション

・FA機器

  モータの信号制御

  産機通信インターフェイス

  スイッチ制御

・電源、インバータ

  UPS (Uninterruptible Power Supply) /無停電電源

  BMS (Battery Management System

  ソーラーインバーター

・医療機器 

・EV (電気自動車)

評価ボード

関連資料

データシート
Si86S6xx/Lxx/Mxx/Qxx/Sxx:                                     Multi-Channel Digital Isolators 

Si86S61x/S62x/SOx:                                                Single and Dual Channel Digital Isolators 

Si86S60x:                                                                Low Power I2C Isolators 

  

旧製品データシート 

Si860x    デジタルアイソレーター (I2C向け双方向2ch/1ch デジタルアイソレーター)

Si861x/2x デジタルアイソレーター (1ch/2ch 150Mbps デジタルアイソレーター) 

Si863x デジタルアイソレーター   (3ch 150Mbps デジタルアイソレーター)

Si864x デジタルアイソレーター   (4ch 150Mbps デジタルアイソレーター)

Si865x デジタルアイソレーター   (5ch 150Mbps デジタルアイソレーター)

Si866x デジタルアイソレーター   (6ch 150Mbps デジタルアイソレーター)

 

アプリケーションノート

AN1359: Design Considerations for the Si86Sx Family  Si86Sxファミリーの特性

AN583: Safety Considerations and Layout Recommendations for Digital Isolators (デジタルアイソレータの安全上の考慮とレイアウトに関する推奨事項) 

AN1131: Design Guide for Reducing Radiated and Conducted Emissions in Isolated Systems Using Skyworks’ Isolators (絶縁システムにおける放射/伝導エミッションを低減するための設計ガイド)

 

ユーザガイド
UG488:                                                                          Si86SSxx EVB SPI用Si86SS41・QSPI用Si86SQ44 搭載の評価ボードの説明

  

Brochure ブローシャ

Isolation in Electric Vehicle Systems Quick Reference          電気自動車でのアイソレータ 

Isolation Product Selector Guide                                        アイソレータのセレクション・ガイド   

関連リンク

Si86xx 1ch~6ch 150Mbpsデジタルアイソレーター製品紹介ページ  

Macnica-Mouserでの購入

製品をいち早く購入したい方は、是非Macnica-Mouserから購入ください。以下ボタンをクリックするとMacnica-Mouserサイトに遷移します。

ボタンのリンク設定は Mouserで購入できるようになってから

お問い合わせ / お見積もり

本製品に関してご質問、見積もりを希望の方は以下より問い合わせください。

スカイワークス社メーカトップページ

スカイワークス社のメーカー情報Topページに戻りたい方は以下をクリックください。