サイト内検索

製品概要

Parade Technologies社のUSB4® デバイスは、ホストアプリケーション用の USB4®、DisplayPort™ 2.0/2.1、および Thunderbolt™ 3.0/4 リタイマーです。

USB4 および USB3.2仕様、およびリタイマーとAlt Modeのサポートに関する関連 USB-IF仕様に準拠し、USB Type-C® 2.0規格の VESA® DisplayPort™ Alt Modeに準拠しています。

製品の主な特長

  • USB4 Gen3 ×2 (40Gbps×2レーン)、Gen2 ×2(20Gbps ×2レーン)に対応
  • USB3.2 Gen2 x2との下位互換性 (USB4はデフォルトで指定)
  • DisplayPort™ 2.0、および Thunderbolt™ 3.0 Alt Modeをサポート (PS8830)
  • DisplayPort™ 2.1、および Thunderbolt™ 4 Alt Modeをサポート (PS8833)
  • USB4、USB3.2 および DP.a に準拠、双方向 4レーンリニアリドライバー (PS8778)
  • USB および DP 信号を補正する双方向 4レーンのリニアリドライバーで、USB4v2、USB4、USB 3.2、DP2.1a の各仕様に準拠 (PS8780)
  • DisplayPort2.1 Alt モードをサポート 最大8K UHD 60Hz (PS9010)

製品ラインアップ

PS8830

ホスト アプリケーション用の USB4®、DisplayPort™ 2.0、および Thunderbolt™ 3.0リタイマーです。 USB4および USB3.2仕様、およびリタイマーとAlt Modeのサポートに関する USB-IF仕様に準拠し、USB Type-C® 2.0規格の VESA® DisplayPort™ Alt Modeに準拠しています。USB4 Gen3 ×2 および USB3.2 Gen2 ×2 の完全なサポート、および UHBR20までの DisplayPort™ 4レーンのサポートに加えて、DisplayPort™ Alt Mode規格で定義されている DP1 または 2レーンのサポートを備えた USB3.2 Gen2 ×1 の多機能動作をサポートします。

USB-C® レセプタクルでの高速信号の整合性とコンプライアンス マージンを実現する、シンプルでありながら汎用性の高い高性能リタイマー ソリューションを提供します。 また、超低待機電力を提供し、システムのバッテリー寿命を延長するだけでなく、USB4® エコシステムとユーザーエクスペリエンスも延長します。

■特長&ブロック図

PS8830ブロック図
ブロック図

・USB4 Gen3 x2(40Gbps x2レーン)、Gen2 x2(20Gbps x2レーン)に対応
・USB3.2 Gen2 x2との下位互換性(USB4はデフォルトで指定)
・USB低電力モード U1、U2、U3をサポート
・DPリンク レート RBR、HBR、HBR2、HBR3、UHBR10、UHBR13.5、UHBR20 で
  DisplayPort™ 2.0 Alt Modeをサポート
・LTTPR 非透過モードおよび透過モードをサポート
・10.3125Gbpsおよび 20.625Gbpsの Thunderbolt3.0 Alt Modeをサポート
・クロック転送をサポート
・SBU用の統合 AUX/LSxスイッチ
・アダプティブ CTLEおよび DFEイコライザー
・85Ωの差動終端抵抗を内蔵
・オンチップ統合スイッチングレギュレーターを備えた単一 3.3V電源
・6x6mm 105ボール BGAパッケージ

■対象アプリケーション

・ノートブック
・デスクトップ
・タブレット
・USB Type-C® ホストアプリケーション

PS8833

ホストアプリケーション用の USB4®、DisplayPort™ 2.1、および Thunderbolt™ 4リタイマーです。 USB4 および USB3.2 仕様、およびリタイマーと Alt Modeのサポートに関する USB-IF 仕様に準拠し、USB Type-C® 2.0規格の VESA® DisplayPort™ Alt Modeに準拠しています。USB4 Gen3 ×2および USB3.2 Gen2 ×2の完全なサポート、および UHBR20 までの DisplayPort™ 4レーンのサポートに加えて、DisplayPort™ Alt Mode規格で定義されている DP1または 2レーンのサポートを備えた USB3.2 Gen2 ×1の多機能動作をサポートします。

USB-C® レセプタクルでの高速信号の整合性とコンプライアンス マージンを実現する、シンプルでありながら汎用性の高い高性能リタイマーソリューションを提供します。 また、超低待機電力も提供し、システムのバッテリー寿命、USB4® エコシステムおよびユーザーエクスペリエンスを延長します。

■特長&ブロック図

PS8833ブロック図
ブロック図

・USB4 Gen3 x2 40Gbpsおよび Gen2 x2 20Gbpsをサポート
・USB3.2 Gen2 x2 20Gbpsをサポート
・USB低電力モード U1、U2、U3をサポート
・DisplayPort™ および Thunderbolt™ Alt Modeをサポート
・最大 UHBR20 20Gbpsまでの DisplayPort™ 2.1をサポート
  - RBR、HBR、HBR2、HBR3、UHBR10、UHBR13.5、UHBR20をサポート
  - LTTPR透過モードおよび非透過モードをサポート
・DisplayPort™ 2.1 Advanced Link Power Management (ALPM) をサポート
・Thunderbolt™ 4 10.3125Gbpsおよび 20.625Gbpsリンクレートをサポート
・SBU用の統合 AUX/LSxスイッチ
・アダプティブ CTLEおよび DFEイコライザー
・入力および出力用に 85Ωの差動終端抵抗を内蔵
・低消費電力
・3.3Vおよび0.9V電源
・6.0 x 6.0mm 105ボール BGAパッケージおよび 4.7 x 8.0mm 62ピン QFNパッケージ
・ESD:5kV(HBM)

■対象アプリケーション

・ノートブック
・デスクトップ
・タブレット
・USB Type-C® ホストアプリケーション

PS8778

USB4、USB3.2、および DP.a に準拠し、USB および DP 信号を再調整する双方向 4レーンのリニアリドライバーです。レーンあたり最大 20Gbps の USB4 Gen3 速度と DP UHBR20 をサポートし、USB-C トポロジーの高速信号品質を保証します。USB-C アクティブケーブルを含め、ホスト側とデバイス側の両方に適用され、その動作モード、EQ、および DC ゲインは、I2C を介して調整可能な信号補正をおこないます。レーンと P/N の極性スワップをサポートし、低消費電力で、USB4、USB3.2、および DP.a リンクの完全な電源管理をおこないます。

DP モード (AUX) と Thunderbolt3/USB4 モード (SBTX/RX) からのサイドバンド信号を検出し、構成と省電力モードを最適化します。1.8V電源で動作し、コンパクトな QFN パッケージに収められています。また、自動省電力モードも備えており、チャンネルがアイドル状態になると低電力モードに入り、信号を検出すると通常の機能に戻ります。

■特長&ブロック図

PS8778ブロック図
ブロック図

・低消費電力:290mW@20Gbps、USB4/DP
・Extreme Low Standby Power:0.5mW、Modern Standby準拠
・双方向リドライビング:ケーブルアプリケーションで簡単に使用可能
・単一 1.8V 電源
・コンパクトサイズ:2.8×28 mm QFNパッケージ
・複数の動作モードをサポート
  - USB4 Gen3@20Gbps x2 および x1
  - USB4 非対称リンク:(TX または RX) x3@20Gbps、(RX または TX) x1@20Gbps
  - Thunderbolt4:20.625Gbps、10.3125Gbps
  - USB3.2:x2 および x1@10Gbps、x2 および x1@5Gbps
  - DP Altモード:USB3.2 10Gbps および 5Gbps、DP 1/2レーンで
    最大 20Gbps;4レーン (すべてのデータレートで最大 20Gbps)

■対象アプリケーション

・デスクトップおよびラップトップ
・アクティブケーブル
・ワークステーション

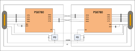
PS8780

PS8780 は、USB および DP 信号を補正する双方向 4レーンのリニアリドライバーで、USB4v2、USB4、USB 3.2、DP2.1a の各仕様に準拠しています。USB4 Gen4 で最大 40Gbps、DP ではレーンごとに UHBR20 をサポートし、USB-Cトポロジーにおける高速信号品質を確保します。USB-C アクティブケーブルを含むホスト側およびデバイス側の両方で使用可能で、動作モード、EQ、DCゲインは I²C 経由で設定でき、信号補償を最適化できます。

レーンや P/N 極性のスワップに対応し、低消費電力で動作し、USB4、USB 3.2、DP2.1a のリンク電源管理を完全にサポートします。チップは、DP モードのサイドバンド信号 (AUX) や Thunderbolt5 / USB4v2 モードの信号 (SBTX / RX) を検出し、構成や省電力モードを最適化します。1.8V 電源で動作し、コンパクトな QFN パッケージを採用。さらに、PS8780 は自動省電力モードを備え、チャンネルがアイドル状態になると低消費電力モードに移行し、信号検出時に通常動作へ復帰します。

■特長&ブロック図

PS8780 ブロック図

・低消費電力:297mW(40Gbps時)
・超低スタンバイ電力:0.5mW、Modern Standby 準拠
・双方向リドライビング:ケーブル用途に最適
・単一 1.8V 電源で動作
・コンパクトサイズ:2.8 x 4.4mm の 28 ピン QFN パッケージ採用
・PS8780 がサポートする動作モード
  - USB4 v2 Gen4 (40Gbps)、Gen3 (20Gbps) x2 および x1
  - USB4 非対称リンク:(TX または RX)x3 で最大 120Gbps、
    (RX または TX) x 1
  - Thunderbolt4:20.625Gbps、10.3125Gbps
  - USB3.2:x2 および x1@10Gbps、x2 および x1@5Gbps
  - DP Altモード:USB3.2 10Gbps および 5Gbps、DP は 1 ~ 2 レーンで
    最大 20Gbps、4レーンで全データレート最大 20Gbps

■構成例

MB 設計向けカスケード接続アプリケーション

MB設計向けカスケード接続アプリケーション

アクティブケーブル用アプリケーション

アクティブケーブル用アプリケーション

■対象アプリケーション

・デスクトップおよびノートブックコンピューター
・アクティブケーブル

PS9010

複数のプロトコルでデータとビデオを管理できるように設計され、高度に統合された USB4 ドックコントローラーです。USB4Thunderbolt3 (TBT3)USB3.2DisplayPort 2.1 および PCIe トンネリングをサポートしているため、さまざまな高速周辺機器アプリケーションに適しています。1つの USB4 アップストリームポートと、1つの USB4 を含む複数のダウンストリームポートを備えており、USB4USB3.2、および DisplayPort Alt Mode に準拠しながら、デバイス間のシームレスな接続を実現します。

低電力モード、PCIe/USB3.2/DisplayPort トンネリング、および USB インターフェースと DisplayPort インターフェース間での同時データ転送をサポートしており、USB4 ドック、モニター、および外部周辺機器に最適です。SHA-256 および RSA-3072 ハードウェアベースのアルゴリズムに対応する統合セキュリティブロックも備えているため、安全にファームウェアをアップデートできます。

■特長&ブロック図

PS9010ブロック図
ブロック図

USB4 1.0 準拠のアップストリームおよびダウンストリームポート
・内蔵 USB3.2 および USB2.0 ハブ
・内蔵 xHCI コントローラーおよび PCIe スイッチで TBT3 との互換性を確保
DisplayPort2.1 Alt モードをサポート(最大8K UHD 60Hz)
  - DP2.1 トランスミッター
DP 1/2/4 レーンをサポート(最大リンクレート UHBR20)
  - DP2.1 レシーバー
DP 1/2/4 レーンをサポート (最大リンクレートUHBR20)
・ドック管理の豊富な機能
  - 3つの I2C マスター/スレーブポート
  - 2つの SPI マスター/スレーブポート
  - デバッグ用の UART
  -
豊富な GPIO 機能
  - 単一の SPI フラッシュで外部デバイスのセキュアな
    ファームウェアアップデートをサポート
・ファームウェアセキュリティ保護
  - HWベースの RSA3072 署名
  - HWベースの SHA-256 認証
・外部 SPI ROM インターフェースを備えたオンチップ MCU
  -
I2C および USB によるファームウェアのアップグレードをサポート
  - ファームウェアのセキュリティ保護
・マスターとスレーブの両方のインターフェースをサポートする最大3つの I2C
・マスターとスレーブの両方のインターフェースをサポートする最大2つの SPI
3.3V および 0.9V 電源
・フレキシブル GPIO にはPWM出力が1つ含まれる
・パッケージ:8.5mm x11.5mm LFBGA 274

■対象アプリケーション

・ドッキングステーション
・マルチポートアダプター
・スマートディスプレイおよびモニター
・オールインワン PC

お問い合わせ / お見積もり

本製品に関してご質問、見積もり希望がありましたら以下よりお問い合わせください。

Parade Technologies メーカー情報 Top に戻る

Parade Technologies メーカー情報 Top へ戻りたい方は以下をクリックしてください。