

HYPER-AL は Pico-ITX 規格のコンパクトな組込み用 CPU ボード です。
製品概要
- フォームファクター:PICO-ITX
- オンボード CPU:インテル® Celeron® N3350
- メモリー: DDR3L SDRAM (MAX 8GB)
- インターフェース:HDMI, LVDS, GbE x2、USB 3.1 x2、Audio など
- 拡張:M.2 A key, M.2 B key, SATA, USB 2.0 x2, RS-232
インターフェース

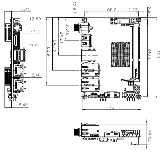
外形寸法

製品スペック
仕様項目 | 概要説明 |
ディスプレイ | |
ディスプレイ出力 | ●1 x HDMI ●1 x LVDS (2x10 pin, single channel, 24bit) |
システム | |
最大メモリ | ●One 204-pin 1866/1600MHz single-channel DDR3L SDRAM unbuffered SO-DIMM slot (system max. 8GB) |
グラフィックコントローラー | ●Intel® HD Graphics Gen9 Low Power, 18 Execution Units ●4K Codec Decode & Encode for HEVC 4, H.264, VP8, SVC, MVC |
I/Oインターフェース | |
CANバス | ●LAN1: Realtek RTL8111H controller ●LAN2: Realtek RTL8111H controller |
イーサネット | ●1 x 8-bit DIO (2x5 pin, P=2.0) |
拡張インターフェース | ●1 x M.2 A key 2230 (PCIe, USB) ●1 x M.2 B key 2242 (USB, SATA) |
オーディオ | ●1 x HD audio (2 x 5 pin, support 7.1 channel HD audiou by AC-KIT-892HD-R10) |
I/Oインターフェース | ●1 x Front panel(1 x 8 pin, power LED, HDD LED, power buttom, reset buttom) ●1 x RS-232(1x9 pin, P=1.25) ●1 x SATA 6Gb/s(w/ 5V SATA PWR) ●2 x USB 2.0(2 by pin header, 2x4 pin, P=2.0) ●2 x USB 3.0(on rear I/O) |
電力 | |
消費電力 | ●12V@2.36A (Intel® Celeron® N3350 with 8GB 1600MHz DDR3L memory) |
電源 | ●12V DC input only (DC jack) ●Support AT/ATX mode |
動作環境 | |
動作温度 | ●-20°C ~ 60°C |
湿度 | ●5% ~ 95%(結露なきこと) |
保存温度 | ●-10°C ~ 70°C |
外形寸法 | |
外形寸法 | ●100mm x 72mm |
重量 | |
重量 | ●GW:600g/NW:250gGW:700g / NW:350g |
拡張スロット | |
拡張スロット | ●1 x M.2 slot with 2230 A key ●1 x Full-size PCIe Mini slot (w/ SATA signal, support mSATA |
SoC | |
SoC | ●Intel® Celeron® N3350 on-board SoC (up to 2.4GHz, dual-core, 2M Cache, TDP=6W) |
BIOS | |
BIOS | ●AMI UEFI BIOS |
データシートダウンロード
お問い合わせ / お見積もり
本製品に関してご質問、お見積もりの希望がございましたら、以下より問い合わせください。