サイト内検索

製品概要

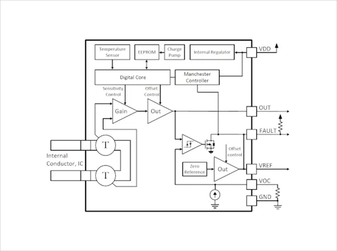
ACS37100 ブロック図
ACS37100 ブロック図

ACS37100 は、高精度・低ノイズを両立した XtremeSense™ TMR 電流センサーであり、厳しい制御ループ用途に対応するために設計された統合型デバイスです。10MHz の帯域幅と 50ns の高速応答により、精密な電流測定を実現します。さらに、過電流フォルト検出機能を内蔵しており、システム保護を強化します。高い絶縁性能と差動センシング機能により、ノイズの多い環境でも安定した動作が可能で、設計の簡素化と安全性の向上に貢献します。

製品特長

  • 広帯域アナログ出力対応のTMR電流センサー (10MHz)
  • ノイズ環境下での差動配線に対応する VREF 電圧出力
  • 高速オープンドレイン方式によるしきい値調整可能なFAULT出力(過電流検出)機能
  • 1.2mΩ の SOICW-16 パッケージで 565VRMS の強化絶縁に対応
  • AEC-Q100 Grade0 認定取得

対象アプリケーション

  • 車載オンボード充電器 (OBC)
  • DC-DC コンバーター
  • サーバー用電源
  • 商用・産業用 (C&I) 太陽光ストリングインバーター
  • DC 方式 EV 急速充電器

メーカーサイトはこちら

Macnica-Mouserで購入希望の方はこちら

Allegro MicroSystems社製品は、半導体・電子部品の通販サイトであるMacnica-Mouser(マクニカ-マウザー)で購入可能です。
急ぎ製品の購入を希望される方はMacnica-Mouserでご検討ください。

お問い合わせ / お見積もり

本製品に関してご質問、お見積もりをご希望の方は以下よりお問い合わせください。

Allegro MicroSystems メーカー情報 Top ページへ

Allegro MicroSystems メーカー情報 Top ページへ戻りたい方は、以下をクリックください。