サイト内検索

電流検出抵抗で実現する、高効率な車載システムの電流モニタリング

はじめに

車載業界がハイブリッド車やプラグイン電気自動車の製造へと進化する中で、電動ブレーキ、電動ステアリング、モーター制御などの高効率なシステムの導入は、バッテリー消費の抑制とエネルギーコストの削減を図る上でますます重要になっています。電流モニタリングは、バッテリーチャージャー、LED 照明、インバーター駆動などの車載用途、特にハイブリッド車や EV 車において、制御および保護の観点から非常に有効です。

AC および DC の両方のアプリケーションで効率を高めるためには、これらの各システムにおける電流を適切にモニタリングし、フィードバック制御をおこなう必要があります。用途に応じた適切な電流検出フィードバックデバイスを選定することで、システムの効率性をさらに向上させることが可能です。

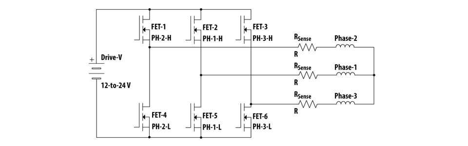
電流検出用抵抗 (Current Sense Resistor) は、回路設計への組み込みが容易で、占有スペースも少ないことから、低コストなソリューションとして有効です。たとえば図1 では、モーターの巻線電流を測定するために電流検出抵抗を用いた三相インバーターの構成が示されています。

図1:巻線電流測定用の電流検出抵抗を備えた三相インバーターモーター駆動

図1:巻線電流測定用の電流検出抵抗を備えた三相インバーターモーター駆動※Bourns 社より提供

本記事では、以下のトピックについて解説します。
 ・電流検出に用いられる各種技術の概要
 ・コンバーター内における電流検出抵抗の配置位置
 ・適切な抵抗を選定するために必要な熱計算
 ・電流検出における戦略的アプローチ

電流のモニタリング

電流をモニタリングする方法には、侵入型と非侵入型の手法を含め、さまざまな種類があります。侵入型の電流モニタリングでは、監視対象のデバイスと直列に測定用デバイスを接続します。一方、非侵入型では、制御対象のデバイスに電流を供給する配線の近くに、誘導型またはホール効果デバイスを配置して測定をおこないます。各種電流検出方式のメリットとデメリットについては、以下の表をご参照ください。

検出方式

メリット

デメリット

周波数範囲

電流検出抵抗 (CSR)

・他の方式と比べて必要なスペースが少ない
・リモート型デバイスよりも低コスト
・PCB 設計への統合が容易
・信号の DC 成分および AC 成分の両方を測定可能
・線形性に優れている

・設置場所に制約がある
・回路の絶縁ができない
・回路に対して侵入型の構成となる
・オペアンプやその他の増幅回路が必要
制限なし

ホール効果センサー

・多くの環境に対して耐性がある
・回路に対して非侵入型
・信号の DC 成分および AC 成分の両方を測定可能
・ドリフトが発生する可能性が高い
・外部磁場の影響を受けやすい
・一部の用途では磁気シールドが必要
1Hz ~ 100kHz

ロゴスキーコイル

・回路に対して非侵入型
・高い DC 電流に対して耐性がある
・既存のアプリケーションに容易に後付け可能
・高い過負荷電流にも耐えられる
・取り外しが容易で、一時的な測定に適している
・車載の量産プロジェクトには不向き
・AC 用途にのみ適している
・外部電源または大型バッテリーパックが必要
・高電流と低電流を同一デバイスで測定する際の校正が困難
約 20Hz ~ 3MHz

電流トランス

・回路に対して非侵入型
・高電圧用途に適している
・入手性が高い
・線形性が高い
・測定方式により寄生抵抗(挿入損失)が発生する
・DC 電流の測定ができない
・精度が低い
・各デバイスは高電流または低電流のいずれかに限定される
約 40Hz ~ 200kHz

上記の表に示されているように、電流検出抵抗は、電源回路やインバーター制御設計において複数の利点を提供します。非接触型技術に用いられるセンサーはドリフトが発生しやすく、車載用途で一般的な広い動作温度範囲において高精度な制御を維持することが困難です。設計者は、非常に微小な信号を識別できる新しいデジタル IC を導入しており、これによりダイナミックレンジが 30mV 未満にまで低下しています。この傾向は、より低い抵抗値を持つ抵抗器の需要を高めており、電力損失の低減とシステム効率の向上に貢献しています。

コンバーターにおける電流検出抵抗の配置位置

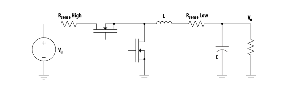
電圧レギュレーターモジュール (VRM) において、電力インダクターの電流測定は、VRM コントローラーの出力電圧と組み合わせておこなわれます。これら 2つのフィードバック信号は電源制御ループの一部を構成しており、負荷の変動に対して安定した電圧制御を維持するために不可欠です。測定回路とインダクターの波形は図2 および図3 に示されています。抵抗は、信号が安定しており、コントローラーによる特別なフィルタリングを必要としない出力側に配置することが可能です。ただし、電流検出抵抗に連続的に電流が流れることで効率損失が発生し、用途によっては許容されない場合があります。

別の選択肢として、抵抗を上側または下側の FET(電界効果トランジスター)側に配置する方法があります。この側では信号のノイズが大きく、電流信号の大部分がコントローラーにとって有用な情報を含まないため、測定が困難になります。ただし、VRM は通常、大きな降圧比を持っているため、出力側に比べて抵抗による非効率な時間が短くなります。さらに、FET 側に抵抗を配置する場合の問題として、コンバーター回路内の寄生要素によって電流信号にオーバーシュートが発生し、コントローラーによる信号の読み取りが困難になることが挙げられます。

図2:ハイサイドおよびローサイドに電流検出抵抗を配置した同期降圧コンバーター

図2:ハイサイドおよびローサイドに電流検出抵抗を配置した同期降圧コンバーター※Bourns 社より提供

図3:インダクターおよびハイサイド抵抗における電流波形

図3:インダクターおよびハイサイド抵抗における電流波形※画像はBourns 社より提供

同期降圧コンバーターの例を用いることで、電流検出抵抗を異なる位置に配置した場合の効率を分析することが可能です。この例では、インダクターの後段に抵抗を配置した構成における主なパラメーターを以下のように仮定します。

 ・Iout = 30 ADCVout = 5 VDC
 ・デューティー比 = 20
 ・コントローラー入力の Vpeak = 100mV
 ・Rsense = 3mΩ(計算値)
 ・室温での消費電力 = 2.7W(フルパワー時)
  この構成では、効率が約1.8%低下することになります。

理想的な条件下での消費電力は 2.7W です。ここでは、定格 4Wの抵抗(例:Bourns® CSS2H-2512)を選定したと仮定します。部品の信頼性を確保し、MTBF を高めるためには、最悪の動作条件(最大負荷かつ最大動作温度)下でも、デバイス表面の温度をできる限り低く保つことが重要です。これはアレニウスの法則に基づいており、故障までの時間は絶対温度の関数であるとされています。実際、動作温度を 10℃ 下げることで、MTBF を 2倍にすることが可能です。電流検出抵抗をハイサイド FET と直列に配置した場合、以下のような計算がおこなわれます。
 ・Iaverage = 6 ADC
 ・Rsense = 15m
 ・消費電力 = 0.5W(効率低下は約 0.33%)

抵抗を回路のハイサイドに配置することで、効率面で明らかなメリットがあります。抵抗の表面温度を算出するには、まずデータシートから熱抵抗値を求める必要があります。次に、抵抗が実装される外部環境(はんだパッドなど)の熱抵抗を計算します。

部品の熱抵抗

データシートのパラメーターは、理想的な動作条件下で取得されたものと仮定します。したがって、熱抵抗は以下の通りです。

\[ \frac{T_{Z}-T_{max}}{Power} \]

ここで、Tz は無負荷時の温度、Tmax はフルパワー時の最大温度を示します。したがって、熱抵抗 (Rth) 25℃/W となります。

はんだパッドの熱抵抗

データシートに記載された推奨はんだパッド寸法に基づき、パッドの熱抵抗は以下の通りです。

\[ \frac{L}{β*W*T} \]

ここで、β は 4W/cm、t は銅の厚さ(電源基板の場合は 70µm)を示します。

図4:熱抵抗の算出に使用されるはんだパッド寸法の図示

図4:熱抵抗の算出に使用されるはんだパッド寸法の図示※Bourns 社より提供

したがって、各はんだパッドの熱抵抗は 20℃/W となります。はんだパッドは 2つあり、それぞれが熱を放散する役割を果たします。これは、電流源に並列接続された 2つの電気抵抗と同様の関係です。よって、はんだパッド全体の合成熱抵抗は半分となり、10℃/W になります。

これにより、システム全体(抵抗+周囲環境)の熱抵抗は 35℃/W となります。フルパワー時の温度上昇は 94.5 ℃となり、抵抗器がフルパワーで動作可能な最大周囲温度は 75.5℃ となります。これを超える温度環境では、抵抗器の表面温度が設計上の限界を超えるため、アレニウスの法則に従って MTBF が急激に低下します。

設計者のコントローラーが、高いスイッチング電圧と、低電流とピーク電流の比較的小さな差を識別できる場合、より小型の抵抗(例:Bourns® CRF1206-FZ-R012ELF)を使用することが可能です。データシートによると、この抵抗の熱抵抗は 100℃/W です。はんだパッドの熱抵抗はそれぞれ 33℃/W となっています。したがって、フルパワー (0.5 W) 時の温度上昇は 58℃ となり、最大動作温度は 112℃ まで許容されます。

この用途では、部品のインダクタンスが非常に重要です。コントローラーは、比較的高い周波数で入力電圧を抵抗に対してスイッチングします。CRF1206 シリーズのモデルは、寄生インダクタンスが 5nH 未満です。各スイッチング周期の開始時および終了時に抵抗器に誘導される電圧は、以下のように計算されます。

\[ V = L*\frac{d_{i}}{d_{t}} \]

この場合、誘導される電圧は、FET がオンになる際の電流の立ち上がり時間に依存します。コントローラーは、一定時間入力電圧を読み取らないように遅延処理を実装する必要があります。この処理は一般的に「リーディングエッジ・ブランキング時間」と呼ばれます。ただし、誘導電圧が高すぎるとコントローラーを損傷する可能性があるため、5nH のような超低寄生インダクタンスが重要となります。

図1 に示された降圧構成では、FET トランジスターを用いて制御された起動をおこなうことで、スイッチオン後に出力コンデンサーへ流れ込む突入電流を制限しています。しかし、インバーター駆動回路などでは、大容量の DC リンクバルクコンデンサーを使用するため、コンデンサーの容量に応じて大きな電流パルスが発生します。そのため、電流検出抵抗は短時間の過負荷に耐えられる必要があります。金属系の CRE シリーズ電流検出抵抗は、モデルごとの定格に応じて優れた負荷耐性を備えています。たとえば、CRE シリーズの 3W・5 mΩ 品は、20ms 間で 100W のパルス負荷に耐えることができ、3 W・1 mΩ 品は最大 2秒間で 10 W のパルスに対応可能です。

電流検出抵抗製品ラインアップの概要

以下の表は、Bourns が提供する表面実装型電流検出抵抗の製品ラインアップをまとめたものです。

シリーズ

サイズ (mm)

電力 (W)

抵抗値

技術方式

CRL0805

2.0 x 1.0

0.125

50mΩ ~ 9100mΩ

厚膜タイプ

CRF0805

2.0 x 1.0

0.5

3mΩ ~ 20mΩ

金属合金タイプ

CRL1206

3.2 x 1.6

0.25

20mΩ ~ 9100mΩ

厚膜タイプ

CRF1206

3.2 x 1.6

1.00

1mΩ ~ 30mΩ

金属合金タイプ

CST0612

1.6 x 3.2

1.00

0.5mΩ ~ 2mΩ

金属合金タイプ

CRF2512

6.35 x 3.2

2.00 (1mΩ ~ 10mΩ)

1.00 (15mΩ ~ 50mΩ)

1mΩ ~ 50mΩ

金属合金タイプ

CRA2512

6.35 x 3.2

3.00

10mΩ ~ 100mΩ

金属合金タイプ

CRE2512

6.35 x 3.2

3.00

1mΩ ~ 9mΩ

金属合金タイプ

CSS2H-2512

6.35 x 3.2

4.00

0.5mΩ ~ 3mΩ

金属合金タイプ

CSS2H-3920

9.9 x 5.08

12.0

0.2mΩ ~ 3mΩ

電子ビーム金属合金タイプ

CSS4J-4026

10.16 x 6.6

5.0

0.5mΩ ~ 5mΩ

電子ビーム金属合金タイプ

CSS2H-5930

14.9 x 7.62

8.0

0.5mΩ ~ 3mΩ

電子ビーム金属合金タイプ

Bourns の電流検出抵抗は、金属合金、電子ビーム溶接、厚膜技術を用いた製品で、抵抗値:0.2mΩ、定格電力:9W から抵抗値:1Ω、定格電力: 0.25W まで幅広く取り揃えられています。Bourns の豊富な製品ラインアップは、高電流の車載用バッテリーチャージャーから、低電力の民生機器向けバッテリー検出用途まで、さまざまなアプリケーションに対応しています。

図1 に示されているように、抵抗は負荷と直列に接続することができます。この構成は「ハイサイド検出」として知られています。ただし、抵抗の接続には他にも構成方法があり、それらは以下の図に示されています。

図5:ローサイド電流検出

図5:ローサイド電流検出※Bourns 社より提供

図6:ローサイド電流検出 ― ケルビン構成

図6:ローサイド電流検出 ― ケルビン構成※Bourns 社より提供

図7:ハイサイド電流検出

図7:ハイサイド電流検出※Bourns 社より提供

電流検出の戦略

■ハイサイド電流検出
この検出方式では、ケルビン構成を用いて、単相および三相 DC モーター、大電力負荷などのアプリケーションにおける電流を監視します。回路は負荷駆動用 FET と直列に配置でき、任意の増幅回路を用いてモニタリングが可能です。追加回路はモータードライブ設計に容易に組み込むことができます。2端子型の電流検出抵抗は、プリント基板上または負荷側に配置することができ、リモート電流検出用途にも対応します。

■ローサイド電流検出
高電力の電流検出用途では、ケルビン構成または 4端子型の電流検出抵抗に加え、コモンモード・ゼロドリフト型オペアンプが一般的に必要となります。これらの検出回路は、負の DC 電圧および正の DC 電圧の両方における負荷の監視に使用できます。低電力の電流検出には、2端子型のデバイスと非反転型オペアンプを組み合わせて使用することができます。このタイプの回路は、アラームパネル、電動工具、各種無停電電源装置 (UPS) などの小型機器におけるバッテリー充電の監視に利用されます。

まとめ

電流を検出する方法にはいくつか優れた手法がありますが、本記事では、電流検出抵抗が、現在の車載用電源、インバーターおよびバッテリー充電システムにおいて理想的なソリューションであることを示しました。前述の通り、これらの部品を選定する際には、設計者が動作条件や抵抗器の配置位置を慎重に検討することが重要です。

Bourns は、抵抗製品のラインアップにおいて継続的な技術革新を進めています。その一例が、電子ビーム溶接による金属合金製電流検出抵抗の追加です。これらの抵抗は、車載や産業機器などの高電流アプリケーションに使用可能です。用途に応じた最適な電流検出抵抗を提供するために、Bourns の製品は、低電力・高抵抗値の厚膜チップから、高電力・超低抵抗値の金属合金タイプまで幅広く展開されています。

おすすめ関連記事

お問い合わせ

本記事に関して、ご質問などありましたら以下よりお問い合わせください。

Bourns メーカー情報 Top へ

Bourns メーカー情報 Top ページへ戻りたい方は、以下をクリックください。