サイト内検索

車載用途における DC-DC コンバーターおよびフィルター向けインダクターの選定方法

はじめに

車載メーカーは、EV やハイブリット車などの電動車両をユーザーに提供する取り組みを進めていますが、市場の成長は期待されたほど急速ではありません。その一方で、これらの電動車両で使われている一部の技術は、従来型の車両(エンジン車)にも応用可能であることがわかってきました。近年注目を集めている新技術のひとつが、「アイドリングストップ(Start-Stop)」機能です。これはエンジン車の燃費向上を目的とした技術ですが、この機能を導入することで、車載電子システム全体に影響を及ぼし、いくつかの開発上の課題が生じます。

特に、DC-DC コンバーターによる電圧変換は、アイドリングストップ中に電圧が一定でないため、設計が複雑になります。車種によってサージ耐性や EMI(電磁妨害)に関する要件は異なるものの、いずれにしてもこれらの要件を満たすことは必須です。このような設計を成功させるには、電子部品レベルでの品質・構造・特性が重要な鍵を握ります。中でも、高電流インダクター技術の進化は、電力変換や電源回路において小型で高性能な部品を実現するソリューションとして注目されています。

本記事では、エンジン車におけるアイドリングストップ機構の基本的な仕組みと、それに関連する車載電子機器の評価試験について解説します。また、このような設計におけるさまざまな設計上の考慮点や、インダクター技術の進化についても取り上げます。特に、円形ではなく平角線を用いた高導電インダクターを活用することで得られる利点について、具体的なソリューションを紹介します。

Bourns 社は、約 2,000 種類におよぶインダクター製品群を通じて、高周波・大電流が求められるアイドリングストップ対応の車載用途に向けた高度なソリューションを提供しています。これらの製品は、平角導体、粉末鉄コアのモールド構造、幅広いインダクタンス値のラインアップを特長としています。

ハイブリッド/エンジン車とアイドリングストップ対応設計の違い

車載設計者たちは、電動化車両における燃費向上のためにさまざまな手法を活用しています。たとえばハイブリッド車では、燃料を消費しながらバッテリーを充電する状態と、バッテリー駆動で燃料消費を抑える状態とを、特定の条件に応じて切り替える制御がおこなわれています。一方、従来のエンジン車では、エンジンが動いている限り常に燃料が消費されます。

これに対して、アイドリングストップ機能を備えたエンジン車では、車両が停止している間はエンジンを自動的に停止させ、必要なときだけ再始動させることで燃料消費を抑えます。この仕組みでは、車両が停止するたびにエンジンがシャットダウンし、再び動き出す際にはエンジンが再始動される必要があります。

エンジン車におけるアイドリングストップ機構の基本

車載電子機器は、公称 12V ~ 14V バッテリーを電源として動作するように設計されています。しかし、エンジン車ではエンジンが始動する際、一時的にバッテリー電圧が 7V 程度まで低下することがあります。このような一瞬の電圧低下でも、12V 〜 14V の安定供給を前提とした電子回路が誤動作を起こす可能性があるため、設計上は補助バッテリーの追加が必要になります。

図1 には、アイドリングストップ機能を備えた車両における高レベルの回路構成例が示されています。エンジンが動作している間は、メインバッテリーが電子機器に電力を供給し、補助バッテリーはスイッチによって車両の他の回路から切り離された状態になります。一方、車両が停止している間や、エンジン再始動のタイミングでは、スイッチが開放されて補助バッテリーが電子回路に電力を供給します。

図1:エンジンが停止した際に補助バッテリーへ切り替えることで、電子機器への電力供給を安定させるアイドリングストップ回路の構成例

図1:エンジンが停止した際に補助バッテリーへ切り替えることで、電子機器への電力供給を安定させるアイドリングストップ回路の構成例※Bourns 社より提供

バッテリーと車載電子機器の間では、DC-DC 変換がおこなわれます。予備バッテリーの電圧が主バッテリーよりも低い場合、予備バッテリーと車載の変換回路の間には昇圧型 DC-DC コンバーターが必要になります。一般的な DC-DC コンバーターの設計では、出力コンデンサーとスイッチングインダクターを用います。図2 に示すように、電源、電圧制御スイッチ、負荷とともに構成されます。

スイッチがオンのとき、インダクターは電流を磁束に変換して蓄えながら充電されます。スイッチがオフになると、磁束は崩壊し、再び電流に変換されて負荷に電力を供給します。導線(コンダクター)は常に使用されており、高電力・高周波の用途においては、効率的な導線設計が不可欠です。

図2:DC-DC コンバーターの構成部品 - パワーインダクター、制御チップ/スイッチ、ダイオード、バルクコンデンサー

図2:DC-DC コンバーターの構成部品 - パワーインダクター、制御チップ/スイッチ、ダイオード、バルクコンデンサー※Bourns 社より提供

サージおよび EMI 要件への対応

もうひとつ、スタート・ストップ設計を困難にする重要なパラメーターが、すべての車載電子機器が耐えなければならないサージ電圧です。エンジン動作をサージイベント中も維持できるよう、明確に定義された車載向け試験が実施されます。すべての車載回路(電源回路を含む)は、ISO7637 および ISO16750 規格に基づき、設計プロセスの一環として過渡現象に対するパルス試験を受ける必要があります。規定された試験パルスは一定間隔で印加され、電子機器はそのパラメーター内で動作できなければなりません。

さらに、ISO7637 では、12V 電源システムを搭載した乗用車および小型商用車、または 24V 電源システムを搭載した商用車に取り付けられる機器の電気的過渡現象への適合性を評価するベンチ試験が規定されています。試験パルスの特性は図3 に示され、表1 に記載されています。

図3:自動車試験パルス1 — 出典:ISO7637 マニュアル

図3:自動車試験パルス1 — 出典:ISO7637 マニュアル※画像はBourns 社より提供

パラメーター

12V システム

24V システム

Us

-75V ~ -100V

-450V ~ -600V

Ri

10Ω

50Ω

td

2ms

1ms

tr

1μs

3μs

t※a

0.5s ~ 5s

t2

200ms

t※b

< 100μs

※a. 次のパルスを印加する前に、DUT(被試験機器)が正しく初期化されるよう、t1 は適切に設定すること
※b. t3は、電源の切断とパルスの印加の間に必要な最短時間

車載メーカーは、EMI(電磁妨害)放射に関して独自の仕様を定めています。最も一般的な国際規格は EN55022 ClassB であり、230MHz 以上の周波数に対して 最低 37dBμV/m の減衰が求められます。車両内の各種機能を駆動する電動モーター用のコントローラーボードは、EMI 放射要件によって設計上の負荷が増す代表的な例です。モーターコントローラーは PWM(パルス幅変調)駆動を採用しており、そのパワートランジスターのスイッチング動作によって高周波ノイズが発生しやすくなります。

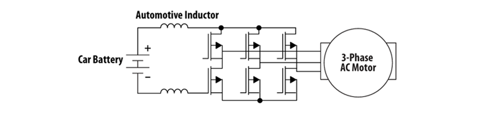
この高周波ノイズを減衰させるために、パワーインダクターがフィルタの一部として使用されます。図4 では、バッテリーとインバーターの間にフィルターとして使用されるインダクターのペアが示されており、インバーターは三相 AC モーターに接続されています。電動モーターは大電流を流すため、物理的に大きなインダクターが必要になります。

図4:電動モーターコントローラーのフィルターとして使用されるインダクター

図4:電動モーターコントローラーのフィルターとして使用されるインダクター※Bourns 社より提供

重要な設計上の考慮事項

車載設計に使用するインダクターの種類を選定する際には、コアの種類、周波数定格、電流、飽和特性、温度、EMI(電磁妨害)および導線の種類など、複数の重要な要素を考慮する必要があります。一部の設計ではフェライトコアベースのインダクターで十分な場合もありますが、現在の高電流・高周波の車載設計には、Bourns® SRP シリーズのフラットワイヤー型パワーインダクターが持つ高い飽和特性が適しています。Bourns は、用途に応じた最適なインダクター部品を選定できるよう、詳細な試験結果とデータシートを提供しています。

電源設計者にとって重要な検討事項のひとつは、アプリケーションの仕様に対して飽和してしまうインダクターを選ばないことです。モータードライブは高い DC 電流値を持つことがあり、放射ノイズを効果的にフィルターするためには大きなインダクタンス値が必要になります。同様に、スタート・ストップシステムなどに使われる DC-DC コンバーターも非常に高い DC 電流を扱うことがあり、過熱や飽和を避けるためには物理的に大きな部品が必要になります。

フェライトインダクターがアプリケーションの仕様を満たすかどうかを判断し、コアの飽和を試験するために、設計者は ISO16750-2:2012 のロードダンプ試験 A および B に規定された高過渡パルス試験を使用できます。この試験は、オルタネーターが充電電流を生成している状態で放電されたバッテリーを切断する(ロードダンプ)状況を模擬するもので、最大 174V の非常に高いパルスを使用します。

すべての車載パワートレイン用電子機器は、車載環境に特有の高温下で動作することが求められており、通常は最大 150℃ に達します。各部品の動作温度は、車載メーカーの要求仕様を満たしているかどうかを確認する必要があります。フェライトコアは、温度に応じて飽和磁束密度をディレーティング(定格低下)する必要がありますが、鉄粉コアは温度によって飽和点が影響を受けません。つまり、高温環境下では、鉄粉インダクターの方がフェライトインダクターよりも高い電流で動作可能です。

DC-DC コンバーターにおいては、低 EMI(電磁妨害)および低リップル電圧が重要な検討事項です。リップル電圧の大きさは、インダクター内のリップル電流とコンデンサの等価直列抵抗 (ESR) によって決まります。リップル電圧 ΔVout は、以下の式で計算できます。

\[ ΔV_{out} = ESR(\frac{I_{out}}{1-D}+\frac{ΔIL}{2}) \]

Iout は出力電流、ΔIL はインダクター電流のリップル、D はデューティーサイクル、ESR は出力コンデンサーの等価直列抵抗を表します。これらの計算は、選定した部品が要求仕様を満たしていることを確認するために必要です。

Bourns® SRP シリーズは、スタート・ストップエンジン用途に特に有利な特長を備えています。 
 • フラットワイヤー技術により、コンパクトな実装面積を実現
 • 高周波スイッチングへの対応が可能
 • フラットワイヤー技術と鉄粉コアの組み合わせにより、パッケージ内の無駄なスペースを削減し、高周波動作時の導体の導電性を向上

適切なインダクター選定の重要性

ハイブリッド車などの技術を応用することで、従来型の車(エンジン車)におけるスタート・ストップ型のパワートレイン構成は燃費の大幅な向上をもたらします。しかし、車両全体の電子機器を考慮する必要があるため、設計にはいくつかの課題が伴います。成功する設計には、DC-DC コンバーターに使用される部品への十分な配慮が不可欠です。スタート・ストップシステム全体において、高電流・高周波・高温環境に対応できる堅牢で高品質な部品を選定することが設計者にとって非常に重要です。

さらに、スタート・ストップ設計では、各種 OEM(車載メーカー)要件を満たすために、電流のサージに耐える必要があります。Bourns® SRP シリーズインダクターは、スタート・ストップ型パワートレイン用途に最適なソリューションを提供します。フラットワイヤ構造、鉄粉コア、高周波対応により、高い DC 電流バイアスと温度安定性を実現します。これにより、高温・高電流環境下でも飽和せずに動作可能となり、車載設計における厳しい要件を満たすことができます。

おすすめ関連記事

お問い合わせ

本記事に関して、ご質問などありましたら以下よりお問い合わせください。

Bourns メーカー情報 Top へ

Bourns メーカー情報 Top ページへ戻りたい方は、以下をクリックください。